Động cơ servo Mitsubishi HK-KT13WBK

    lien_he
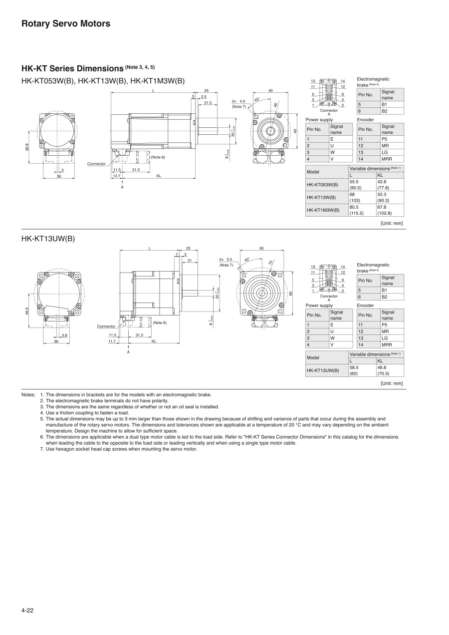
    HK-KT13WBK
    MITSUBISHI

    Tổng quan:

    Động cơ servo Mitsubishi HK-KT13WBK là dòng servo với công suất nhỏ, quán tính thấp, được trang bị bộ mã hóa vị trí tuyệt đối không dùng pin có độ phân giải 26 bit. Động cơ có tốc độ quay định mức 3.000 vòng/phút, tốc độ quay tối đa 6.700 vòng/phút.

    Sản phẩm hết hàng
    Khách hàng đánh giá
    5.0
    5
    0%
    4
    0%
    3
    0%
    2
    0%
    1
    0%

    Chia sẻ nhận xét về sản phẩm

    Đánh giá và nhận xét

    Gửi nhận xét của bạn

        Bình luận
        Gửi bình luận
          Bình luận